関連資料
-
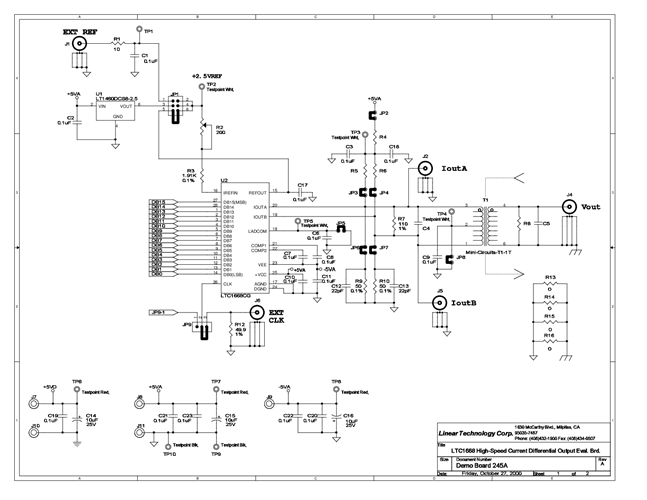
DC245A - Schematic2009/09/24PDF238K
-
DC245A - Demo Manual2009/09/24PDF51K
-
DC245A - Design File2009/09/24ZIP2M




