製品概要
製品概要
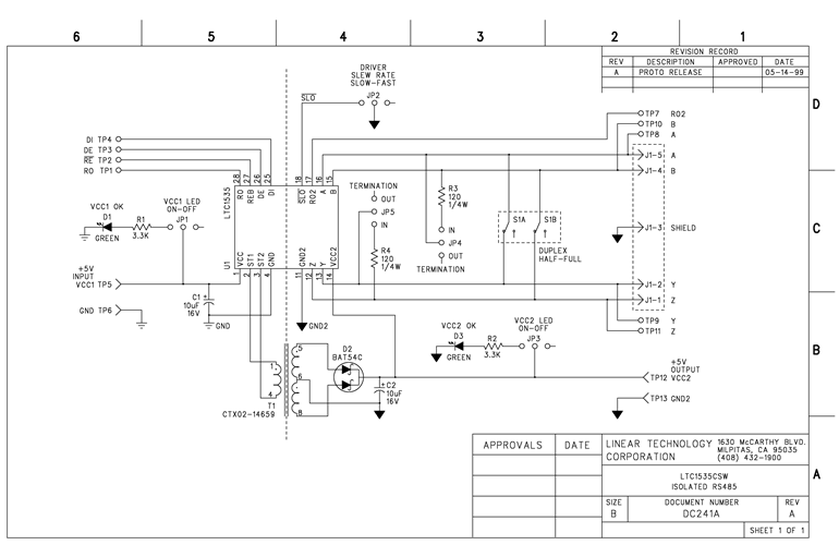
Demonstration circuit 241C showcases the LTC1535 isolated RS485 transceiver. The LTC1535 features 2,500V isolation; the “left-half” of the chip contains familiar RS485 logic functions and an isolated switching converter, and the “right-half” contains the RS485 transceiver. Both sides include a communications section to send data back and forth across the internal capacitive isolation barrier.
関連資料
-
DC241 - Schematic2009/09/24PDF75K
-
DC241B - Demo Manual (Rev. A)2011/08/17PDF202K
-
DC241B - Design File2009/09/24ZIP436K




