製品概要
製品概要
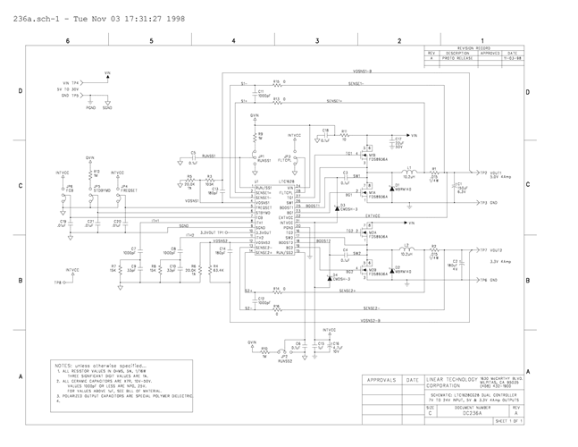
DC236C-C: Demo Board for the LTC1628 High Efficiency, 2-Phase Synchronous Step-Down Switching Regulator.
対象となる製品
関連資料
- 
                                                                
                                                                    
                                                                                                                                            DC236C - Schematic2009/09/24PDF187K
- 
                                                                
                                                                    
                                                                                                                                            DC236C - Demo Manual2009/09/24PDF384K
- 
                                                                
                                                                    
                                                                                                                                            DC236C - Design File2009/09/24ZIP479K
 
                             
                         
                         
                                                