製品概要
製品概要
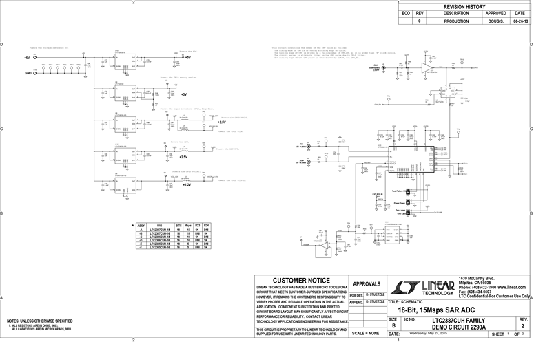
Demonstration circuit 2290A features the LTC2387 family. With up to 15Msps, these differential input, single channel, 18-/16-Bit, serial, high speed successive approximation register (SAR) ADCs are available in a 32-Pin QFN package. The LTC2387 family has an internal 20ppm/°C reference and a serial LVDS interface. The demo manual refers to the LTC2387 but applies to all members of the family, the only difference being the sample rate and the number of bits. The DC2290A demonstrates the AC performance of the LTC2387 in conjunction with the DC718 data collection board. Differential amplifier demo boards are available separately that provide amplification of low level differential signals if required. Alternatively, by connecting the DC2290A into a customer application the performance of the LTC2387 can be evaluated directly in that circuit.
対象となる製品
関連資料
-
DC2290A - Schematic2015/09/17PDF148K
-
DC2290A - Demo Manual2016/01/26PDF1M
-
DC2290A - Design Files2016/04/21ZIP2M

