製品概要
製品概要
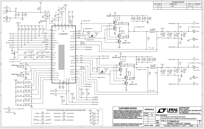
Demonstration circuit 2283A is a high efficiency, high density, single-output Buck converter with 7V to 14V input range. The output voltage is adjustable from 0.5V to 1.5V, and can supply up to 160A of load current with a 1V output. The demo board offers the option to be configured as a dual-output converter, contact factory for details. VOUT0 can supply a 40A maximum load current and VOUT1 can supply a 120A maximum load current. The demo board features the LTC3884, a dual output poly phase step-down controller for ultra-low DCR sensing with digital power system management. Please see LTC3884 data sheet for more detailed information.
対象となる製品
関連資料
-
DC2283A - Schematic2016/04/27PDF140K
-
DC2283A - Demo Manual2016/04/27PDF953K
-
DC2283A - Design Files2016/04/27ZIP6M
