製品概要
製品概要
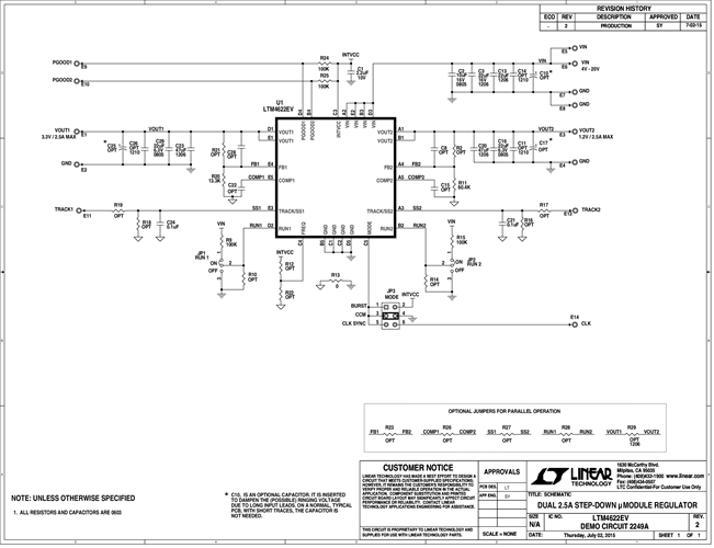
デモ回路2249Aでは、小型で薄型の高性能・高効率デュアル降圧レギュレータであるLTM4622EV μModule ®レギュレータで構成されています。LTM4622は、3.6V~20Vの入力電圧範囲で動作し、チャンネルごとに最大2.5Aの出力電流を供給することができます。各出力の電圧は0.6V~5.5Vでプログラマブルです。LTM4622 は、すべての機能を薄型の熱強化型6.25mm × 6.25mm × 1.82mm LGAパッケージにまとめたDC-DCポイント・オブ・ロード・レギュレータで、ほんの数個の入出力コンデンサしか必要としません。TRACK/SSピンを通じて、電源シーケンシング用の出力電圧トラッキングを利用できます。
対象となる製品
関連資料
-
DC2249A - Schematic2015/07/21PDF32K
-
DC2249A - Demo Manual2015/07/21PDF685K
-
DC2249A - Design Files2015/07/21ZIP891K





