製品概要
製品概要
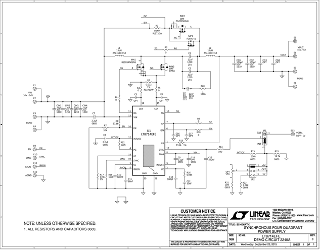
Demonstration circuit 2240A is a synchronous four quadrant converter featuring the LT8714 switching controller. The LT8714 can regulate to positive, negative, or zero volts when configured as a four-quadrant topology. The DC2240A regulates from a 10V to 14V input source to an adjustable output voltage from positive 5V to negative 5V with a 5A maximum current rating.
対象となる製品
関連資料
-
DC2240A - Schematic2015/10/30PDF76K
-
DC2240A - Demo Manual2015/10/30PDF262K
-
DC2240A - Design Files2016/04/21ZIP1M





