製品概要
製品概要
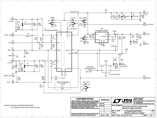
Demonstration circuit DC2208A uses the LTC4420 to provide backup switchover, keeping the output load powered during brownout or power loss conditions. Priority is assigned by supply connection to the V1 and V2 inputs. The power source connected to the V1 input has a higher priority, and it is monitored continuously by adjustable comparator (ADJ) with the proper threshold arranged by an external resistive divider. If the input voltage V1 exceeds 1.55V (1.8V worst case) and the ADJ pin is above 1.097V for at least 64ms after V1 has powered up, and then stays above 1.047V, V1 is considered valid, and the LTC4420 connects V1 to load (OUT pin). If V1 drops below 1.52V, or the ADJ pin voltage is lower than 1.047V, V1 is considered invalid, and LTC4420 switches V2 to load, if the V2DIS pin voltage is above 0.9V. If the V2DIS pin voltage is below 0.2V, V2 to load connection is activated only if V2UV is >0.387V.
対象となる製品
関連資料
-
DC2208A - Schematic2016/10/17PDF32K
-
DC2208A - Demo Manual2016/10/17PDF293K
-
DC2208A - Design Files2016/10/17ZIP2M
