製品概要
製品概要
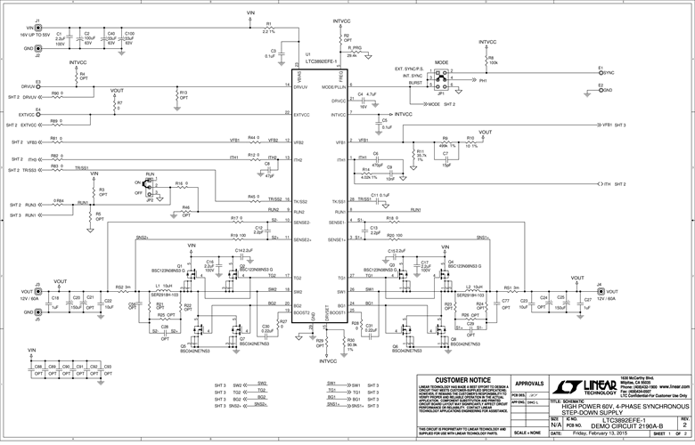
デモ回路2190Aは、LTC3892EFE-1を搭載した、高出力電圧、高効率の同期PolyPhase®降圧コンバータです。このデモ回路には、2つのバージョンがあります。どちらのバージョンも入力電圧範囲は、16V~55Vです。DC2190A-Aは、12V/60A出力を提供する4相インターリーブ動作を備えたLTC3892EFE-1デバイス2台で構成されており、DC2190A-Bは、12V/30A出力を提供する2相インターリーブ動作を備えたLTC3892EFE-1デバイス1台で構成されています。
対象となる製品
関連資料
-
DC2190A-A - Schematic2016/07/18PDF105K
-
DC2190A - Demo Manual2016/05/12PDF740K
-
DC2190A - Design Files2015/10/02ZIP5M




