製品概要
製品概要
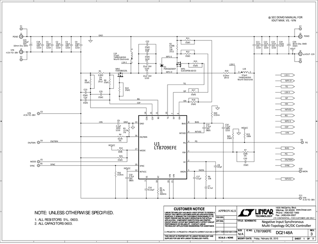
Demonstration circuit 2148A features the LT8709, a negative input synchronous multi-topology DC/DC controller designed for negative input power supplies where the highest input supply voltage is ground. Examples of these circuits include negative buck, negative boost, negative buck-boost and negative inverting. The DC2148A is a negative buck-boost with an operating input voltage range from –4.5V to –38V and an output voltage of –12V, however this demo circuit can be easily reconfigured for other negative input topologies. The maximum output current for DC2148A is 5A, the switching frequency is 400kHz and the maximum efficiency with a –12V input is 91%.
対象となる製品
関連資料
-
DC2148A - Schematic2015/04/03PDF105K
-
DC2148A - Demo Manual2015/04/03PDF348K
-
DC2148A - Design Files2015/04/03ZIP2M

