製品概要
製品概要
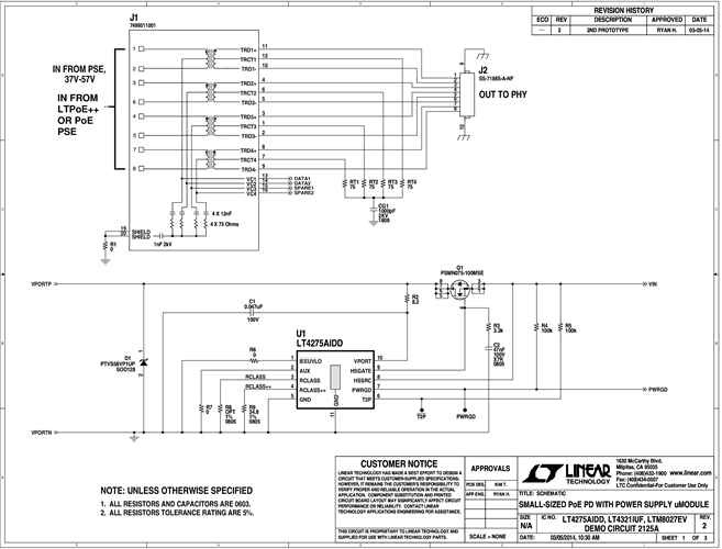
Demonstration circuit 2125 is a small, highly-integrated, non-isolated PoE Powered Device (PD) solution. It features a PD Interface Controller (LT4275), which interfaces with a PoE Power Sourcing Equipment (PSE), an ideal diode bridge controller (LT4321), which minimizes bridge losses, and a DC/DC μModule® regulator (LTM8027).
マーケット&テクノロジー
対象となる製品
関連資料
-
DC2125A - Schematic2015/01/14PDF78K
-
DC2125A - Demo Manual2015/01/14PDF532K
-
DC2125A - Design File2015/01/14ZIP1M





