製品概要
製品概要
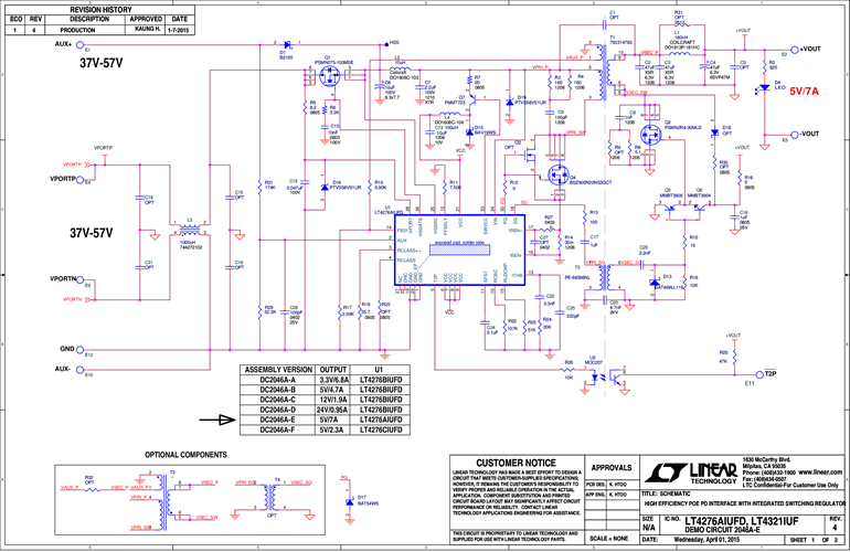
Demonstration circuit 2046A-E is a PoE powered device (PD) with an isolated power supply using synchronous flyback topology, featuring the LT4276 and ideal diode bridge controller (LT4321).
マーケット&テクノロジー
対象となる製品
関連資料
-
DC2046A-E - Schematic2015/07/10PDF73K
-
DC2046A-E - Demo Manual2015/07/10PDF0M
-
DC2046A - Design Files2015/07/10ZIP2M





