製品概要
製品概要
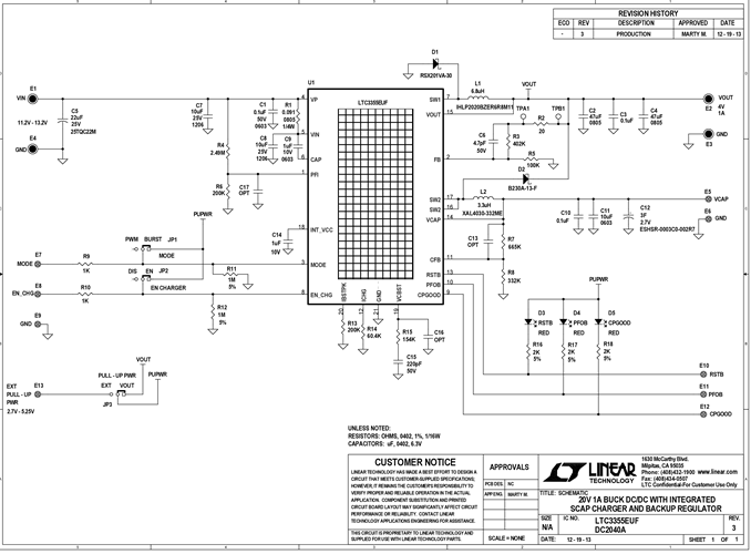
Demonstration circuit 2040A is a 12V to 4V/1A regulator with an integrated supercap charger and backup boost regulator featuring the LTC3355EUF. The LTC3355 charges up a 3F supercapacitor from the output when the 12V input is available. When the 12V input fails, the backup boost regulator supplies the output until the energy in the supercapacitor is depleted. Figure 2 illustrates how long a 3F supercapacitor can provide a 4W output when the input power fails (~600ms).
対象となる製品
関連資料
-
DC2040A - Schematic2014/03/17PDF76K
-
DC2040A - Demo Manual2014/03/17PDF445K
-
DC2040A - Design Files2014/03/17ZIP1M
