製品概要
製品概要
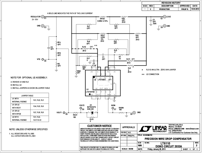
DC2033A: Demo Board for the LT6110 Cable/Wire Drop Compensator.
関連資料
-
DC2033A - Schematic2013/04/16PDF48K
-
DC2033A - Demo Manual2013/04/16PDF400K
-
DC2033A - Design Files2013/04/16ZIP716K
