製品概要
製品概要
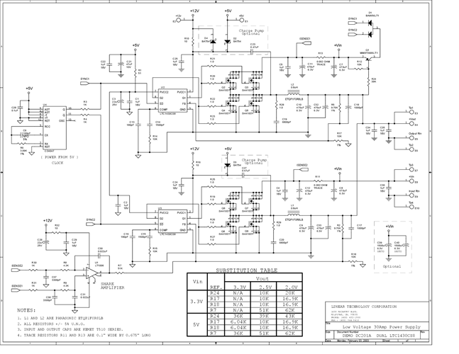
DC201A: Demo Board for the LTC1430A High Power Step-Down Switching Regulator Controller.
対象となる製品
関連資料
-
DC201A - Schematic2009/09/24PDF87K
-
DC201A - Demo Manual2009/09/24PDF1M
-
DC201A - Design File2009/09/24ZIP522K
