製品概要
製品概要
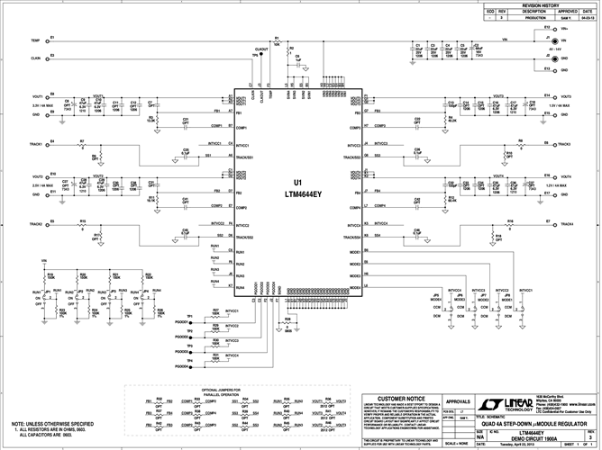
Demonstration circuit 1900A features the LTM4644EY μModule® regulator, a high-performance high-efficiency quad output step-down regulator. The LTM4644EY has an operating input voltage range of 4V to 14V and is able to provide up to 4A of output current from each of its phases. Each output’s voltage is programmable from 0.6V to 5.5V. The LTM4644EY is a DC/DC point of load regulator in a 9mm × 15mm × 5.01mm BGA package requiring only a few input and output capacitors.
関連資料
-
DC1900A - Schematic2014/01/06PDF65K
-
DC1900A - Demo Manual (Rev. A)2024/09/04PDF1 M
-
DC1900A - Design File2014/01/06ZIP1M




