製品概要
製品概要
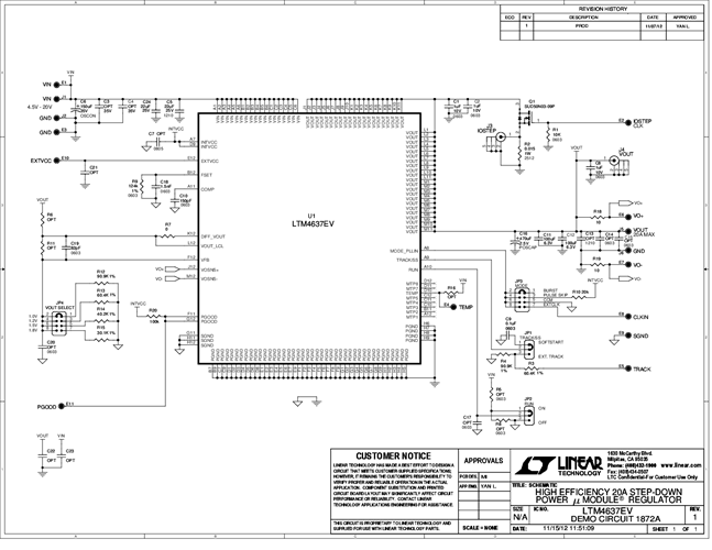
Demonstration circuit DC1872A features the LTM4637EV, a high efficiency, high density switch mode step-down power μModule® regulator. The input voltage range is from 4.5V to 20V. The output voltage is jumper programmable from 1.0V to 1.8V with a rated load current of 20A. Derating is necessary for certain VIN, VOUT, frequency and thermal conditions.
対象となる製品
関連資料
-
DC1872A - Schematic2013/03/13PDF76K
-
DC1872A - Demo Manual2013/03/13PDF2M
-
DC1872A - Design Files2013/03/13ZIP3M




