製品概要
製品概要
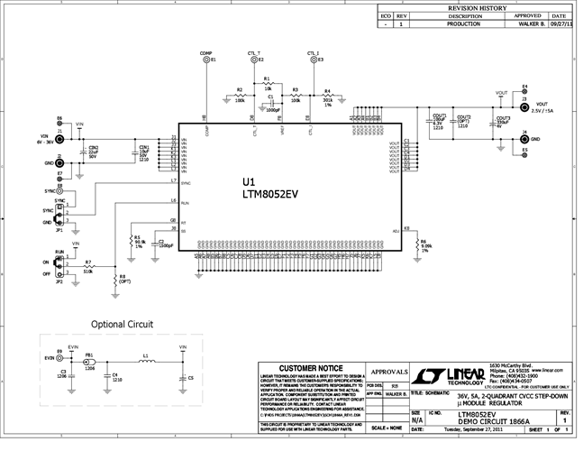
DC1866A: Demo Board for the LTM8052/LTM8052A 36VIN, 5A, 2-Quadrant CVCC Step-Down µModule Regulator.
対象となる製品
関連資料
-
DC1866A - Schematic2011/12/14PDF75K
-
DC1866A - Demo Manual2011/12/15PDF0M
-
DC1866A - Design File2011/11/17ZIP2M




