製品概要
製品概要
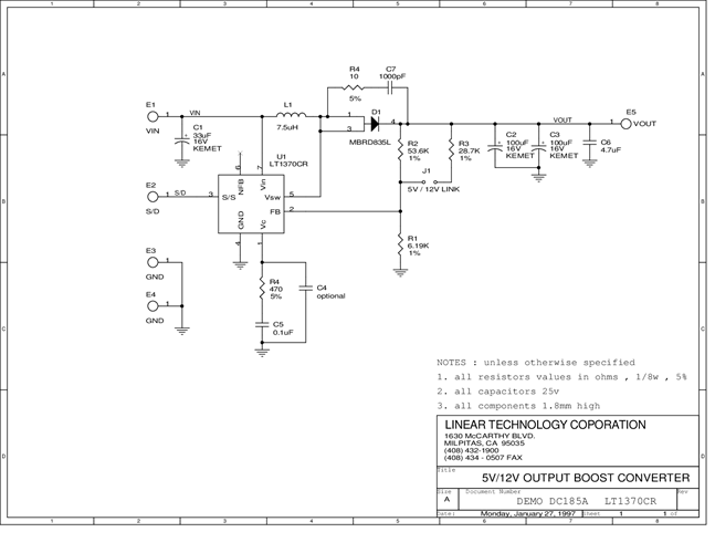
DC185A: Demo Board for the LT1370 500kHz High Efficiency 6A Switching Regulator.
対象となる製品
関連資料
-
DC185A - Schematic2009/09/24PDF18K
-
DC185A - Demo Manual2009/09/24PDF290K
-
DC185A - Design File2009/09/24ZIP381K
