製品概要
製品概要
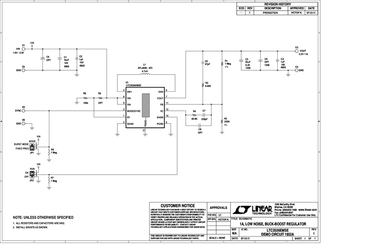
Demonstration circuit 1852A is a combined step-up and step-down DC/DC converter, using the LTC3536 monolithic synchronous buck-boost regulator in the MSOP package. The DC1852A has wide input voltage range of 1.8V to 5.5V and is capable of delivering up to 1A of output current. The output voltage of the DC1852A can be set as low as 1.8V and can go as high as 5.5V. DC1852A supports two operation modes: fixed-frequency pulse-width modulation (PWM) and Burst Mode® operation.
関連資料
-
DC1852A - Schematic2011/12/15PDF39K
-
DC1852A - Demo Manual2011/10/30PDF165K
-
DC1852A - Design Files2011/10/30ZIP683K





