製品概要
製品概要
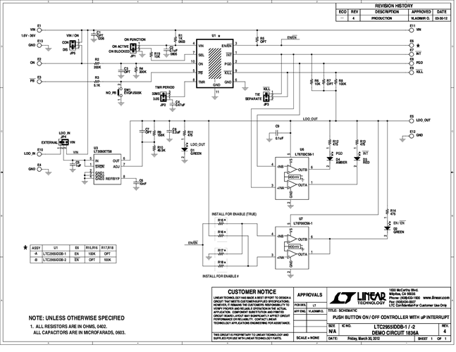
DC1836A-A: Demo Board for the LTC2955 Pushbutton On/Off Controller with Automatic Turn-On.
対象となる製品
関連資料
-
DC1836A - Schematic2012/06/21PDF47K
-
DC1836A - Demo Manual2012/06/06PDF218K
-
DC1836A - Design Files2012/06/21ZIP777K





