製品概要
製品概要
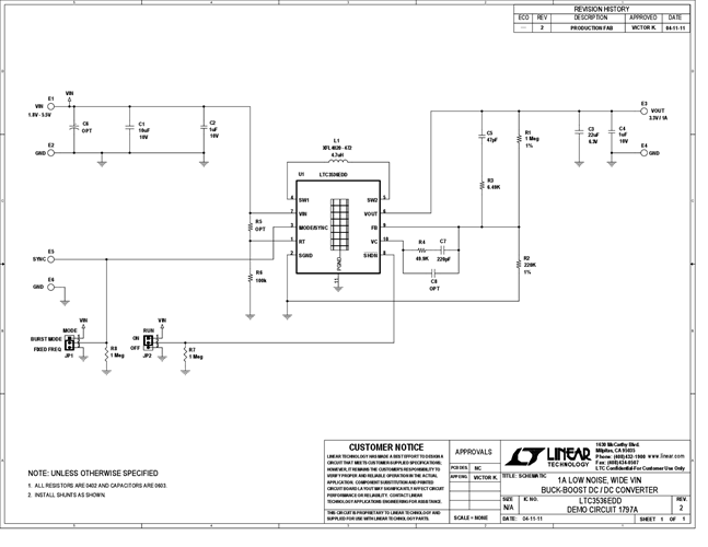
Demonstration circuit 1797A is a combined step-up and step-down DC/DC converter using the LTC3536 monolithic synchronous buck-boost regulator in the 3x3 DFN package. The DC1797A has wide input voltage range of 1.8V to 5.5V, and is capable of delivering up to 1A of output current. The output voltage of the DC1797A can be set as low as 1.8V and can go as high as 5.5V. The DC1797A supports two operational modes: fixed-frequency pulse-width modulation (PWM) and Burst Mode® operation.
関連資料
-
DC1797A - Schematic2012/03/28PDF70K
-
DC1797A - Demo Manual2011/08/17PDF210K
-
DC1797A - Design Files2011/08/17ZIP738K
