製品概要
製品概要
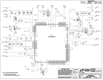
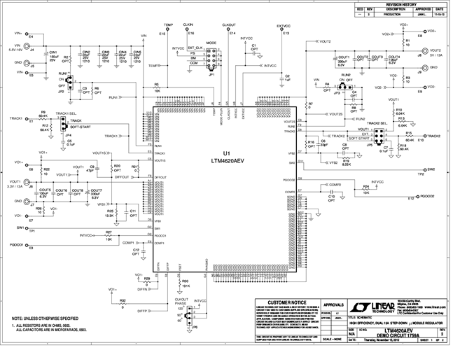
Demonstration circuit 1759A features the LTM4620AEV, the high efficiency, high density, dual 13A, switch mode step-down power module regulator. The input voltage is from 5.5V to 16V. The output voltage is programmable from 0.6V to 5V. DC1759A can deliver 13A maximum current from each channel. As explained in the data sheet, output current derating is necessary for certain VIN, VOUT, and thermal conditions. The board operates in continuous conduction mode in heavy load conditions. For high efficiency at low load currents, the MODE jumper (JP1) selects pulse-skipping mode for noise sensitive applications or Burst Mode® operation in less noise sensitive applications. Two outputs can be connected in parallel for a single 26A output solution with optional jumper resistors. The board allows the user to program how its output ramps up and down through the TRACK/SS pin. The output can be set up to either coincidentally or ratiometrically track with another supply’s output. Remote output voltage sensing is available for improved output voltage regulation at
the load point.
対象となる製品
関連資料
-
DC1759A - Schematic2013/03/13PDF106K
-
DC1759A - Demo Manual2013/03/06PDF410K
-
DC1759A - Design Files2013/03/13ZIP1M




