製品概要
製品概要
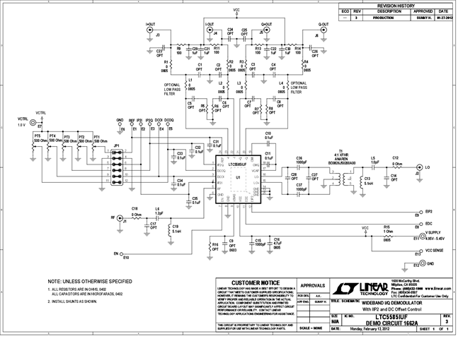
DC1662A: Demo Board for the LTC5585 Wideband IQ Demodulator with IIP2 and DC Offset Control.
対象となる製品
関連資料
- 
                                                                
                                                                    
                                                                                                                                            DC1662A - Schematic2012/02/23PDF61K
- 
                                                                
                                                                    
                                                                                                                                            DC1662A - Demo Manual2012/02/23PDF832K
- 
                                                                
                                                                    
                                                                                                                                            DC1662A - Design Files2012/02/23ZIP1M
 
                             
                         
                         
                                                 
                                                 
                                                 
                                                 
                                                



