製品概要
製品概要
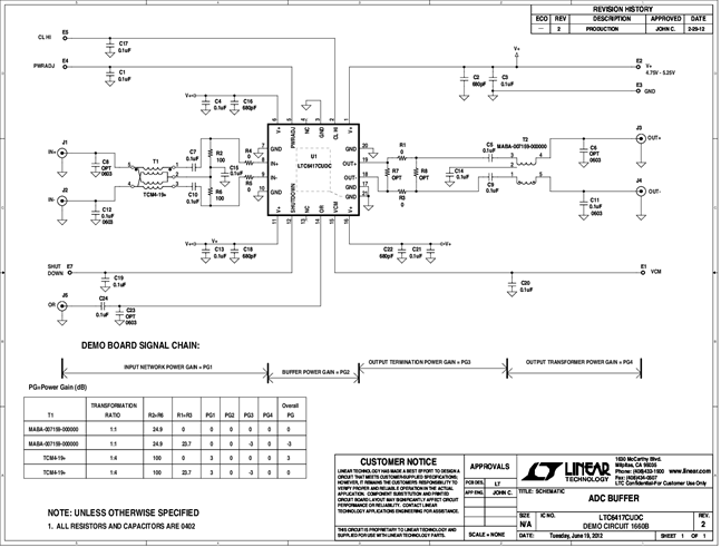
DC1660B: Demo Board for the LTC6417 1.6GHz Low Noise High Linearity Differential Buffer/16-Bit ADC Driver with Fast Clamp.
対象となる製品
関連資料
-
DC1660B - Schematic2012/08/27PDF32K
-
DC1660B - Demo Manual2012/05/30PDF193K
-
DC1660B - Design Files2012/08/27ZIP711K
