製品概要
製品概要
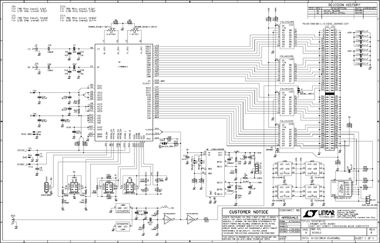
DC1513B-AA: Demo Board for LTM9004 14-Bit Direct Conversion Receiver Subsystem.
対象となる製品
関連資料
-
DC1513B- Schematic2011/02/07PDF110K
-
DC1513B - Demo Manual2012/06/19PDF927K
-
DC1513B - Design Files2011/02/07ZIP1M
