製品概要
製品概要
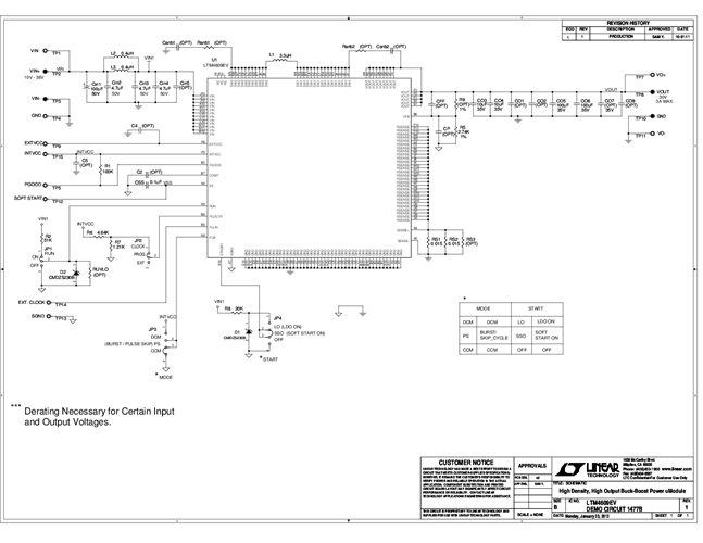
Demonstration circuit DC1477B features the LTM4609EV, the high voltage, high efficiency, high density switch mode buck-boost power module. The LTM4609EV regulates an output voltage above, below, or equal to the input voltage. DC1477B accepts an input voltage from 10V to 36V with a preset output voltage of 30V at up to 3A. Derating may be necessary for certain VIN, VOUT, and thermal conditions. An optional input π filter is added on the DC1477B to minimize the input ripple. The switching frequency may be synchronized to an external clock from 200kHz to 400kHz to reduce undesirable frequency harmonics and/or parallel multiple modules for even higher output current.
関連資料
- 
                                                                
                                                                    
                                                                                                                                            DC1477B - Schematic2012/02/24PDF71K
- 
                                                                
                                                                    
                                                                                                                                            DC1477B - Demo Manual2015/04/28PDF376K
- 
                                                                
                                                                    
                                                                                                                                            DC1477B - Design Files2012/02/24ZIP917K
 
                             
                         
                         
                                                 
                                                 
                                                 
                                                 
                                                 
                                                




