製品概要
製品概要
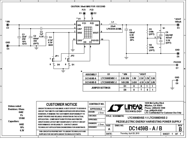
DC1459B-B: Demo Board for the LTC3588-2 Piezoelectric Energy Harvesting Power Supply with 14V Minimum VIN.
対象となる製品
関連資料
-
DC1459B - Schematic2010/07/16PDF70K
-
DC1459B - Demo Manual2010/07/16PDF402K
-
DC1459B - Design Files2010/07/16ZIP729K
