製品概要
製品概要
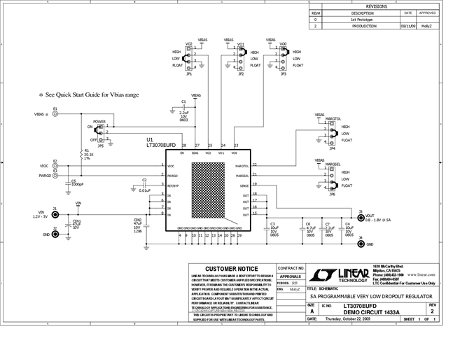
Demonstration circuit 1433 is an adjustable 5A linear regulator featuring the LT3070. The LT3070 is a low dropout voltage, UltraFast™ transient response linear regulator. The device supplies up to 5A of output current with a typical dropout voltage of 85mV. A 0.01μF reference bypass capacitor decreases output voltage noise to 25μVRMS. The LT3070’s high bandwidth permits the use of low ESR ceramic capacitors. Output voltage is digitally selectable in 50mV increments over a 0.8V to 1.8V range. The demo board has a 1.2V to 3V input voltage range and a 2.5V to 3.6V BIAS voltage range. A margining function allows the user to tolerance system output voltage in increments of ±1%, ±3% or ±5%. To maintain proper performance and regulation, the BIAS supply voltage must be higher than the IN supply voltage. For a given VOUT, the BIAS voltage must satisfy the following conditions: 2.2 ≤ VBIAS ≤ 3.6V and VBIAS ≥ (1.25 · VOUT + 1V).
For VOUT ≤ 0.95V, the minimum bias voltage is limited to 2.2V.
対象となる製品
関連資料
-
DC1433A - Schematic2010/02/08PDF68K
-
DC1433A - Demo Manual2010/02/08PDF326K
-
DC1433A - Design Files2010/02/08ZIP2M
