製品概要
製品概要
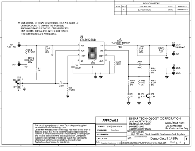
Demonstration circuit DC1429A is a high efficiency step-down DC/DC converter featuring LTC3642 with internal high side and synchronous power switches that draws only 10μA quiescent current. It has a wide 4.5V to 45V input range and internal over voltage monitor capable of protecting the part through 60V surges. The jumper-selectable output is up to 5V. LTC3642 can supply up to 50mA load current with a programmable peak current limit that provides a simple method for optimizing efficiency in lower current applications. With no compensation required, LTC3642 is easily configured with minimal components. Gerber files for this circuit are available.
マーケット&テクノロジー
対象となる製品
関連資料
-
DC1429A - Schematic2009/09/24PDF82K
-
DC1429A - Demo Manual2009/09/24PDF351K
-
DC1429A - Design File2009/09/24ZIP1M
