製品概要
製品概要
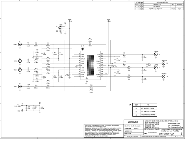
DC1422A-A: Demo Board for the LTC6605-7 Dual Matched 7MHz Filter with Low Noise, Low Distortion Differential Amplifier.
対象となる製品
関連資料
-
DC1422A - Schematic2009/09/24PDF80K
-
DC1422A - Demo Manual2009/09/24PDF190K
-
DC1422A - Design File2009/09/24ZIP2M
