製品概要
製品概要
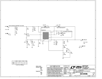
Demonstration Circuit 1419 is a 1.5MHz current mode step-down switching regulator with programmable output current limit featuring the LT3663. The current limit accurately controls the system power dissipation and reduces the size of the power path components. The demo board operates with a 7.5V to 36V (60 transients) input voltage range. The output can be set to 3.3V or 5V using jumper J4, and the current limit can be set to 0.6V, 0.8V, 1V or 1.2V using jumpers J2 and J3.
対象となる製品
関連資料
-
DC1419A - Schematic2009/09/24PDF77K
-
DC1419A - Demo Manual2009/09/24PDF492K
-
DC1419A - Design File2009/09/24ZIP604K
