製品概要
製品概要
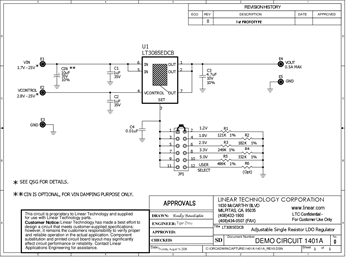
Demonstration circuit 1401A is an adjustable 500mA linear regulator featuring the LT3085. Architected as a precision current source and voltage follower, the LT3085 can be used in many applications requiring up to 500mA output current, adjustability down to 0V at the output and no heat sink. The device brings out the collector of the pass transistor to allow low dropout operation when used with multiple supplies. The demo board operates with an input voltage range from 1.7V to 25V (the maximum output voltage is limited by the output capacitor's voltage rating) and provides a jumper-selectable output voltage of 1.2V, 1.8V, 2.5V, 3.3V, 5V or a user-defined value.
For the LT3085 to regulate properly, the voltage on the control pin (VCONTROL) must be more than approximately 1.2V greater than the output voltage.
関連資料
-
DC1401A - Schematic2009/09/24PDF78K
-
DC1401A- Demo Manual2014/07/11PDF541K
-
DC1401A - Design File2009/09/24ZIP1M



