製品概要
製品概要
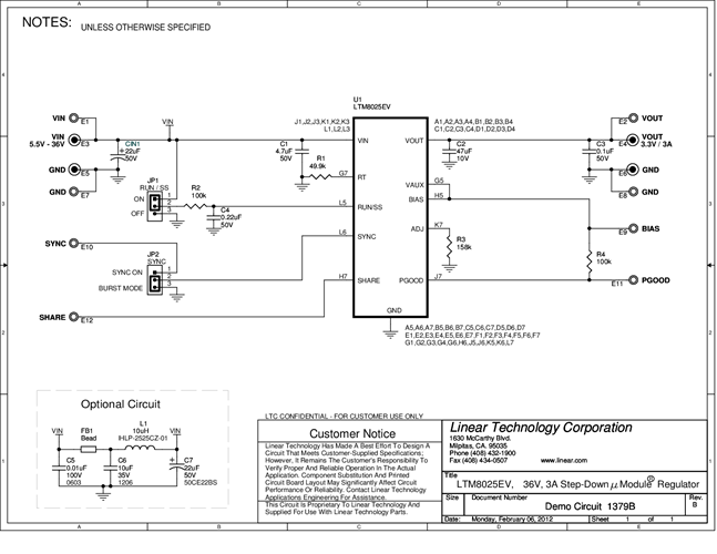
Demonstration circuit 1379B is a step-down DC/DC switching regulator featuring the LTM8025 μModule® regulator. The demo board is designed to deliver a 3.3V @ 3A output from a 5.5V to 36V input. The wide input range of the LTM8025 allows a variety of input sources such as automotive batteries, wall adaptors and industrial supplies. The modes of operation (Burst Mode® operation or synchronization) are jumper-selectable. Burst Mode operation improves efficiency at light loads. The LTM8025 can be synchronized over a 250kHz to 2MHz range.
対象となる製品
関連資料
-
DC1379B - Schematic2012/05/22PDF25K
-
DC1379B - Demo Manual2012/05/22PDF231K
-
DC1379B - Design Files2012/05/22ZIP622K




