製品概要
製品概要
DC1369A-I: Demo Board for the LTC2259-12 12-Bit, 80Msps Ultralow Power 1.8V ADCs
対象となる製品
関連資料
- 
                                                                
                                                                    
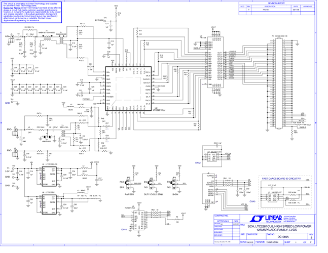
                                                                                                                                            DC1369A - Schematic2012/05/04PDF68K
- 
                                                                
                                                                    
                                                                                                                                            DC1369A - Demo Manual2012/06/13PDF1M
- 
                                                                
                                                                    
                                                                                                                                            DC1369A - Design Files2011/06/08ZIP4M
 
                             
                         
                         
                                                