製品概要
製品概要
This evaluation board is obsolete and no longer recommended.対象となる製品
関連資料
-
Hot Swap Controllers2023/08/02PDF0 M
-
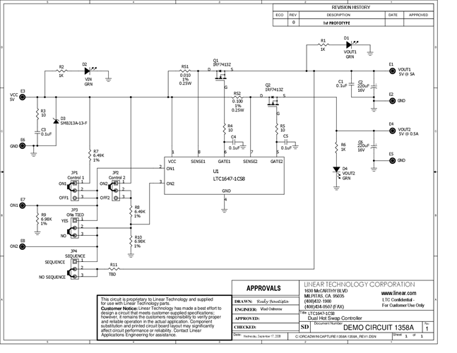
DC1358A - Schematic2009/09/24PDF79K
-
DC1358A - Demo Manual2009/09/24PDF436K
-
DC1358A - Design File2009/09/24ZIP1M
