製品概要
製品概要
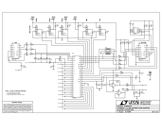
DC1331D: Demo Board for LTC6802-1 - Multicell Battery Stack Monitor
対象となる製品
関連資料
-
DC1331D - Schematic2010/01/25PDF110K
-
DC1331D - Design Manual2010/01/25PDF1M
-
DC1331D - Design Files2010/01/25ZIP702K
