製品概要
製品概要
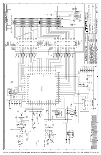
DC1281A-A: Demo Board for LTC2209 16-Bit, 160Msps ADC
対象となる製品
関連資料
- 
                                                                
                                                                    
                                                                                                                                            DC1281A - Schematic2011/03/01PDF578K
 
- 
                                                                
                                                                    
                                                                                                                                            DC1281A - Demo Manual2012/04/03PDF1M
 
- 
                                                                
                                                                    
                                                                                                                                            DC1281A - Design File2011/03/01ZIP2M
 
                                                