関連資料
-
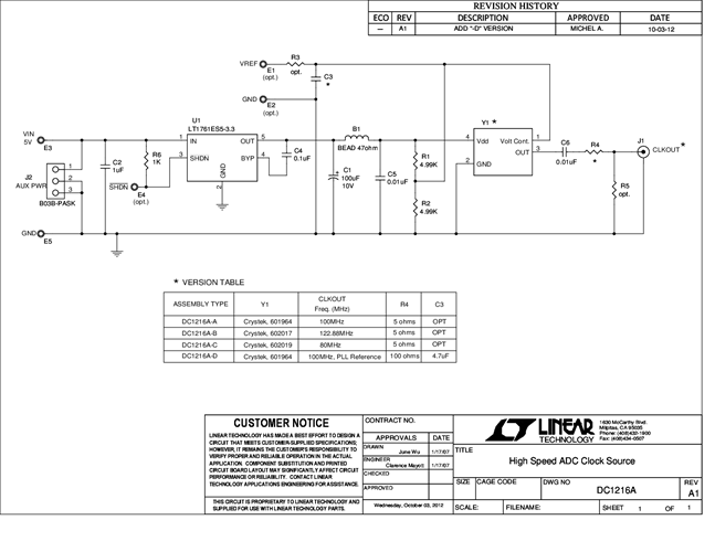
DC1216A - Schematic2013/02/05PDF41K
-
DC1216A - Demo Manual2013/03/20PDF218K
-
DC1216A - Design File2013/02/05ZIP541K




