製品概要
製品概要
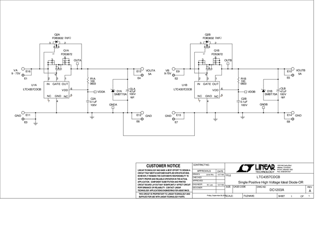
DC1203A: Demo Board for LTC4357 Positive High Voltage Ideal Diode Controller.
対象となる製品
関連資料
-
DC1203A - Schematic2009/09/24PDF25K
-
DC1203A - Demo Manual2009/09/24PDF143K
-
DC1203A - Design File2009/09/24ZIP468K




