製品概要
製品概要
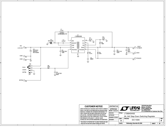
Demonstration circuit 1188 is a monolithic step-down DC/DC switching regulator featuring the LT3684. The demo circuit is designed for a 3.3V @ 2A output from a 4.5V to 34V input.
対象となる製品
関連資料
-
DC1188A - Schematic2009/09/24PDF30K
-
DC1188A - Demo Manual2009/09/24PDF252K
-
DC1188A - Design File2009/09/24ZIP531K
