製品概要
製品概要
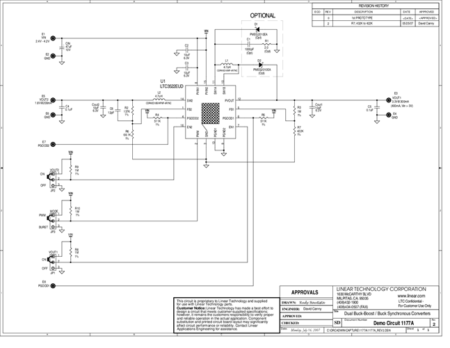
Demonstration circuit DC1177 is a micropower dual Buck-Boost/Buck synchronous converter based on the LTC3522 monolithic regulator. The DC1177 has an input voltage range of 2.4V to 4.2V and outputs 3.3V @ 300mA and 1.8V @ 200mA.
対象となる製品
関連資料
-
DC1177A - Schematic2009/09/24PDF66K
-
DC1177A - Demo Manual2009/09/24PDF0M
-
DC1177A - Design File2009/09/24ZIP0M
