製品概要
製品概要
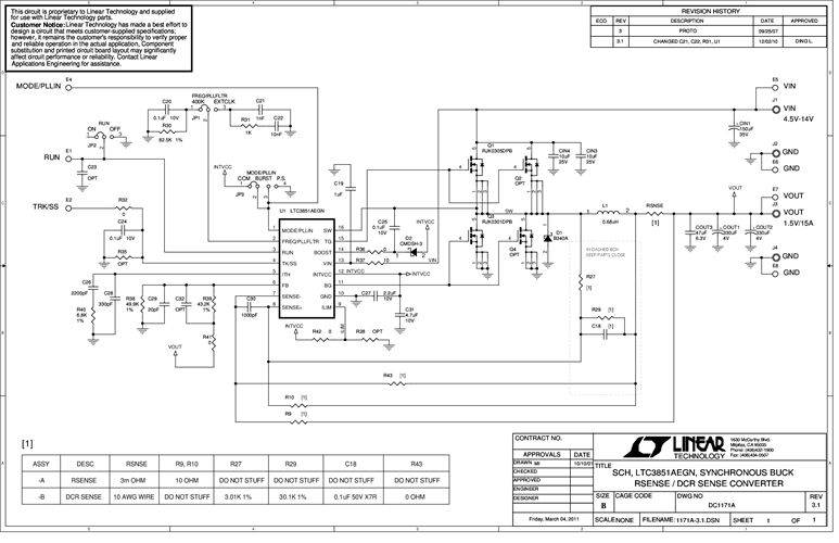
DC1171A-A: Demo Board for LTC3851 Synchronous Step-Down Switching Regulator Controller
対象となる製品
関連資料
-
DC1171A - Schematic2011/03/10PDF47K
-
DC1171A - Demo Manual2011/03/10PDF471K
-
DC1171A - Design Files2011/03/07ZIP1M
