製品概要
製品概要
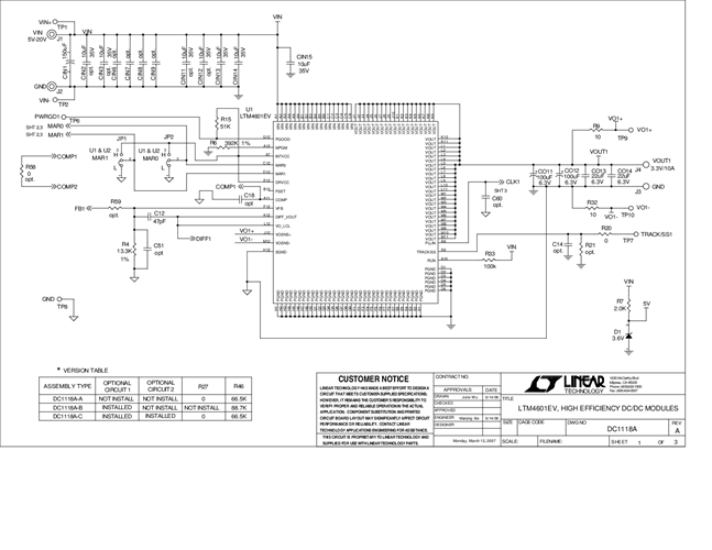
Demonstration circuit 1118A-B features three independent LTM4601EV high efficiency, high density switch mode step-down power modules. The input voltage range is from 5V to 20V. The output voltages are 3.3V, 2.5V and 1.8V; refer to step down ratio curve in the LTM4601 datasheet. The rated load currents are 10A for the 3.3V output, 12A for the 2.5V output and 12A for the 1.8V output, while derating is necessary for certain VIN and thermal conditions. The output of U2 is set to coincidentally track with the 3.3V output. Margining function is provided for the user who wants to stress their system by varying supply voltages during testing. Integrated input and output filters enable a simple PCB layout; only bulk input and output capacitors are needed.
対象となる製品
関連資料
-
DC1118A-B - Schematic2011/02/17PDF95K
-
DC1118A-B - Demo Manual2011/02/17PDF440K
-
DC1118A-B - Design File2011/02/17ZIP1M
