製品概要
製品概要
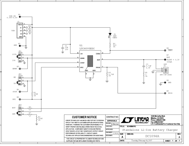
DC1094A: Demo Board for LTC4095 Standalone USB Li-Ion/Polymer Battery Charger in 2mm x 2mm DFN
対象となる製品
関連資料
- 
                                                                
                                                                    
                                                                                                                                            DC1094A - Schematic2009/09/24PDF99K
 
- 
                                                                
                                                                    
                                                                                                                                            DC1094A - Demo Manual2009/09/24PDF344K
 
- 
                                                                
                                                                    
                                                                                                                                            DC1094A - Design File2009/09/24ZIP714K
 
                                                