製品概要
製品概要
DC1082A-D: Demo Board for the LTC1403A Serial 14-Bit, 2.8Msps Sampling ADCs with Shutdown.
対象となる製品
関連資料
-
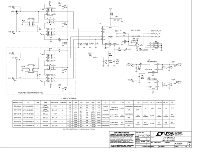
DC1082A - Schematic2013/03/13PDF76K
-
DC1082A - Demo Manual2013/05/16PDF794K
-
DC1082A - Design File2013/03/13ZIP1M
