製品概要
製品概要
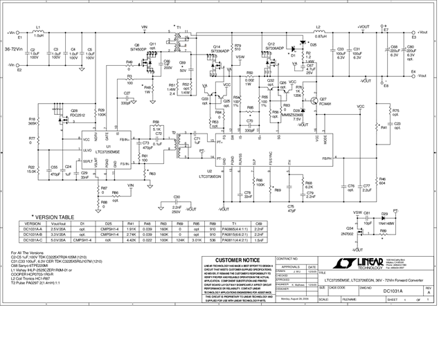
Demonstration circuit 1031A-C is a 36V-72Vin, synchronous forward converter featuring the LTC3725 forward converter and the LTC3726 secondary-side controller. This circuit was designed specifically to attain a high current, low ripple, synchronously rectified forward converter to efficiently power 5V loads at up to 20A from a typical telecom input voltage range. This circuit features secondary side control of the supply eliminating the need for an optocoupler.
関連資料
-
DC1031A-C - Schematic2011/02/19PDF40K
-
DC1031A-C - Demo Manual2011/02/19PDF516K
-
DC1031A-C - Design File2011/02/19ZIP1M
