製品概要
製品概要
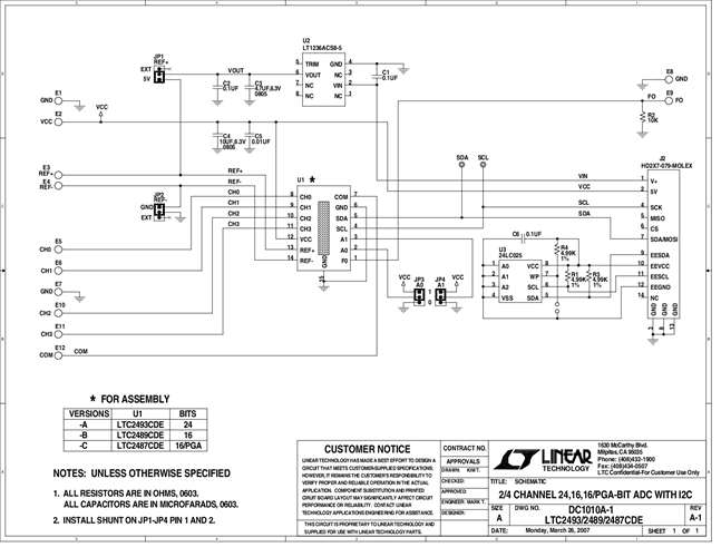
DC1010A-C: Demo Board for the LTC2487 16-Bit 2-/4-Channel ΔΣ ADC with PGA, Easy Drive and I2C Interface.
関連資料
-
DC1010A - Schematic2009/09/24PDF29K
-
DC1010A - Demo Manual2009/09/24PDF620K
-
DC1010A - Design File2009/09/24ZIP655K




