AN-2531: Quad HDMI Input Fast Switching Solution with ADV7612
Circuit Function And Benefits
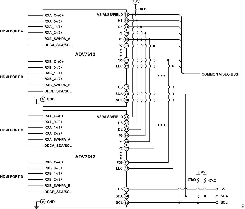
The ADV7612 is a dual port Xpressview™ 225 MHz HDMI® receiver that allows fast switching between two inputs. The circuit shown in Figure 1 shows the use of two ADV7612’s as a quad-input fast switching HDMI receiver.

Figure 1. Dual ADV7612 Circuit. (Simplified Schematic: Decoupling, Terminations, Resets, and All Connections Not Shown)
This circuit shows the expandability of the ADV7612 in applications requiring four multiplexed HDMI inputs of up to 225 MHz TMDS (1080p60, 12 bits per channel; 148.5 MHz LLC pixel clock) or UXGA (1600 × 1200, 10 bits per channel; 162 MHz LLC pixel clock). The circuit offers a cost-effective solution to this application and operates over the extended industrial temperature range of −40°C to +85°C.
Circuit Description
The ADV7612 provides a receiving solution for two HDMI inputs. Figure 1 shows how to connect two ADV7612’s in parallel on a common shared video and audio bus, thereby providing multiplexing of four HDMI inputs.
In order for multiple ADV7612 devices to share the same bus, we need to consider the output state of the devices, capabilities of tri-stating buses, and the electrical parameters of the load on the bus. Additionally, the devices must be controlled from an I2C bus in a non-conflicting manner. The board layout of this circuit is critical and should follow a straight line using controlled impedances to reduce risk of reflections and cross-coupling. An ADV7511 HDMI transmitter was used as a backend device.
Bus Output States
After resetting, the ADV7612 tri-states pins P0-P35, HS, VS/FIELD/ ALSB, DE, LLC, AP0…AP5, SCLK/INT2, and MCLK/INT2. These pins can be set to the active state using registers TRI_PIX, TRI_SYNCS, TRI_LLC, and TRI_AUDIO.
Video and Audio Bus Loading
Only one ADV7612 can access the AV buses at a time; the second must remain tri-stated. Assuming an output driver resistance (P0…P35) of 10 Ω to 20 Ω (highest drive strength) and a trace characteristic impedance of 75 Ω, a series resistor of 55 Ω to 65 Ω is required to match the characteristic impedance of the trace. The maximum capacitance of a tri-stated output bus driver on the ADV7612 is 20 pF (refer to Electrical Specifications in the ADV7612 data sheet).
Layout and Termination Considerations
Layout should consist of very short traces. In the ideal case, traces connecting two pins of the same function between the two ADV7612’s should be as short as possible and should share a common series termination resistor placed as close as possible to both devices and then connected to the bus. In practice, this is not possible due to layout constraints; therefore, each device requires its own series termination resistor (see Figure 2). The video traces should be kept as close to the same length as possible for delay matching.
It is important to make sure the transmission line is properly terminated and has controlled impedance. Otherwise, reflections (which may occur on longer lines) can have a negative impact on transmitted data.
For pixel lines (P0…P35), video synchronization (VS/FIELD/ALSB, HS, DE), and audio lines (AP0, AP1/I2S_TDM, AP2...AP5, MCLK/ INT2, SCLK/INT2)—other than LLC—it is suggested to use series termination resistors of 51 Ω at the ADV7612 driver side, and tracks having a characteristic impedance of 75 Ω.
The line locked clock (LLC) line has the same characteristic impedance of 75 Ω and should have no series resistor, but should be terminated at the far end with a symmetrical termination (150 Ω to +3.3 V and to 150 Ω to GND), as shown in Figure 2.

Figure 2. Terminations for P0…P35 Data Lines and LLC Traces.
Even though theory suggests a best termination value between 50 Ω and 60 Ω, it was observed during tests that a symmetrical 75 Ω (2 ×150 Ω) termination increases the swing and centers the signal around mid-supply (1.65 V), which is desirable. The ADV7511 HDMI transmitter is included on the board and is used to transmit the multiplexed output of the two ADV7612’s.
Figure 2 to Figure 6 show waveforms for various terminations. In each case, a symmetrical LLC termination was placed at the far end (close to the ADV7511), and series termination resistors as close as possible to the two ADV7612 devices, as shown in Figure 2.
Measurements were taken on the ADV7511 pins with Tektronix P6243 FET probes (1 MΩ resistance, 1 GHz bandwidth, less than 1 pF capacitance) and a Tektronix TDS5104B scope.
From the waveforms we can see that using 2 × 150 Ω terminations on the LLC line ensures a maximum swing of 3.3 V.
Using 75 Ω on the data lines slows the edges too much. 33 Ω and 15 Ω on data lines caused undershoots on falling edges (Figure 5 and Figure 6) and overshoots on rising edges (not illustrated). Therefore, 2 × 150 Ω was chosen for LLC, and 51 Ω was used on data lines, which is illustrated in the eye diagrams shown in Figure 9 and Figure 10.

Figure 3. Termination: Symmetrical 2 × 150 Ω on LLC line, 75 Ω on Data Lines (HS). Vertical Scale: 1 V/div, Horizontal Scale: 2 ns/div.

Figure 4. Termination: Symmetrical 2 × 100 Ω on LLC line, 51 Ω on Data Lines (HS). Vertical Scale: 1 V/div, Horizontal Scale: 2 ns/div.

Figure 5. Termination: Symmetrical 2 × 68 Ω on LLC, Series 33 Ω Termination on Data Lines (HS). Note 0.5 V Undershoot. Vertical Scale: 1 V/div, Horizontal Scale: 2 ns/div.

Figure 6. Termination: Symmetrical 2 × 33 Ω on LLC, Series 15 Ω Termination on Data Lines (HS). Note 1 V Undershoot. Vertical Scale: 1 V/div, Horizontal Scale: 2 ns/div.
I2C Access
After power up, both ADV7612 devices will have the same I2C address on the main map, which may lead to conflicts.
A CS pin is provided on both parts, which allows selecting one of the two devices. When the CS line is pulled low, I2C communication is enabled.
When the CS line is pulled high, I2C communication is disabled.
A simple inverter reduces the resources required on the microcontroller side, as shown in Figure 7.

Figure 7. I2C Access.
CEC
CEC implementation is not mandatory on the board, and it is up to end user to implement it. If CEC is not desired, CEC pins should be left floating.
In the other case, separate engines should be used to handle CEC commands.
XTAL_N, XTAL_P
There are two ways of driving the ADV7612 clock. Both parts may have separate crystals connected to XTAL_N and XTAL_P pins, or they can share same signal clock. In the circuit, the 1.8 V signal clock from the oscillator is provided to pins XTAL_P of both parts. In this configuration, XTAL_N must be left floating. It is critical to ensure proper layout routing and grounding to eliminate coupling between sensitive lines. The length of each trace of the bus should be kept equal.
Interrupts
Interrupts from both devices must be considered. The ADV7612 has two possible interrupts : INT1 (INT1 pin) and INT2 (available through SCLK/INT2, MCLK/INT2 or HPA_A/INT2).
It is advised not to use INT2 via pins MCLK/INT2 or SCLK/INT2, as tri-stating the audio bus with the TRI_AUDIO register will also tri-state these pins.

Figure 8. Dual ADV7612 Board Solution with ADV7511.

Figure 9. Screenshot from Scope. Signal Driven from ADV7612-U43. LLC Line (162 MHz) Measured at ADV7511’s Input and Pixel Line P35. Red Rectangle Shows Eye Mask for ADV7511. 2 × 150 Ω Symmetrical Termination on LLC and 51 Ω Series Resistors on Data Lines. Vertical Scale: 1 V/div, Horizontal Scale: 2 ns/div.

Figure 10. Screenshot from Scope. Signal Driven from ADV7612-U1. LLC Line (162 MHz) Measured at ADV7511’s Input and Pixel Line P35 Red Rectangle Shows Eye Mask for ADV7511. 2 × 150 Ω Symmetrical Termination on LLC and 51 Ω Series Resistors on Data Lines. Vertical Scale: 1 V/div, Horizontal Scale: 2 ns/div.