AN-2034: ADE1202 のレジスタを保護リレー・アプリケーション用に設定する方法
はじめに
このアプリケーション・ノートでは、300V DCバイナリ入力アプリケーション用の設定を行うために、ADE1202のレジスタ値を算出する方法を説明します。
このアプリケーション・ノートは、ADE1202のデータシートと併せて参照してください。
ADE1202の概要
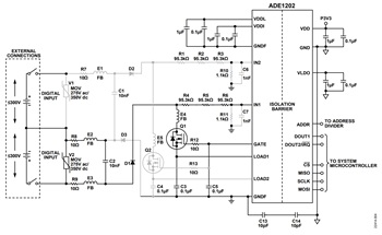
ADE1202は、メカニカル・スイッチと低電圧プロセッサ間のインターフェースとして設計された、デュアル・チャンネルの絶縁型デジタル入力モニタリング・ソリューションです。ADE1202は、図1に示すようにDC入力のステータスをシステム・マイクロコントローラへ伝達します。バイナリ入力は、10V~300VのDC動作、または8Vrms~240VrmsのAC動作用に設計されています。このシステムは、ADE1202のレジスタ値を介してシステム設定を変更することにより、同一のハードウェア回路で異なる範囲のアナログ入力をサポートするように設定できます。本稿では、300V DCバイナリ入力アプリケーション用の設定を行うためにレジスタ値を算出する方法を示します。
アプリケーションの概要
ADE1202の代表的なアプリケーションとして変電所のバッテリ・システムがありますが、このアプリケーションではシステムの電圧をモニタする必要があります。充電時のバッテリ電圧には±20%程度の変動があり、最大値は300V DC、最小値は200V DCになります。推奨アプリケーション回路では更に10%のヘッドルームを見込んで、最大検知電圧VSENSEMAXを約330V DCに設定します。追加されたこのヘッドルームにより、バッテリ・ライン上の過電圧状態が吸収されます。変電所のバイナリ入力接続の代表的セットアップを図2に示します。
このアプリケーション・ノートでは、デジタル入力(バイナリ入力とも呼ばれます)をモニタして、それがロジック・ハイかローかを反映したDOUT信号を生成するために、ADE1202のレジスタを設定する方法を説明します。通常、DOUTはマイクロコントローラまたはフィールド・プログラマブル・ゲート・アレイ(FPGA)によってモニタされ、システム・ソフトウェアがDOUTの状態に基づいて種々の決定を下します。
ハードウェアに関する考慮事項
分圧器の選択
分圧器は、変電所のバッテリ入力電圧を、ADE1202の入力電圧範囲内である1.25Vに下げます。この分圧比は次式で得られます。
分圧比 = 最大入力電圧/VSENSEMAX
= 1.25V/330V
= 約0.00378
抵抗R15の値を285kΩ、R16の値を1.1kΩとすると(図2参照)、これに近い比率が得られます。これらの抵抗値によって得られる電圧ゲイン(VGAIN)は0.003832です。VGAINによって、分圧器入力における最大測定可能電圧が326V DCに設定されます。
簡略化した回路図
R7、R8、R9は電流制限抵抗です。これらの抵抗は、高電圧の外乱が存在する場合に、システム入力を流れる電流を制限します。金属酸化物バリスタ(MOV)V1は、バイナリ入力カードへの入力における電圧を、予め定められた値にクランプします。抵抗R1、R2、R3、R10、およびR4、R5、R6、R11は、IN1ピンまたはIN2ピンの最大電圧を1.25Vに抑える分圧器を構成します。289.3kΩの抵抗を1個ではなく、95.3kΩの1206抵抗を3個使用していますが、これはサージ・テストや静電放電(ESD)テスト時、あるいは落雷時の高い電圧レベルに耐え得る沿面距離とクリアランスを確保するためです。R12とR13は、金属酸化膜半導体電界効果トランジスタ(MOSFET)のゲート・ピンの電流を制限する抵抗です。コンデンサC1とC2は、システムの入力に加わる外乱の高周波成分を除去します。
MOSFETの選択
MOSFETは、設定された負荷電流のパス・デバイスの役割を果たします。MOSFETの安全動作領域(SOA)は、その回路の設計時に想定された最大動作温度にディレーティングする必要があります。SOAをディレーティングすれば、回路を正しく動作させてMOSFETの熱破壊を防ぐことができます。MOSFETは、最大入力電圧、パルス電流の振幅、パルス幅、およびデューティ・サイクルに合った定格のものを選ぶ必要があります。最大温度時におけるMOSFETの動作ポイントは、ディレーティングされたSOAの範囲内に入っていなければなりません。
EVAL-ADE1202EBZに搭載されているMOSFETはSIHFRC20TR-GE3です。その最大ドレイン・ソース電圧(VDS)は600Vで、ほとんどのアプリケーションに対応できる電流容量を備えており、高い外乱電圧に耐えることができます。
レジスタの設定
この項では、表1に示す設定を使用してADE1202のセットアップ例を説明します。
| Register | Address | Data |
| CTRL | 0x001 | 0x1040 |
| BIN_CTRL | 0x002 | 0x3610 |
| BIN_THR | 0x003 | 0x5AAA |
| WARNA_THR | 0x004 | 0xCCCC |
| WARNB_THR | 0x005 | 0x5A88 |
| WARNC_THR | 0x006 | 0x2D2D |
| BIN_FILTER | 0x007 | 0x8096 |
| WARNA_FILTER | 0x008 | 0x80FA |
| WARNB_FILTER | 0x009 | 0x80FA |
| WARNC_FILTER | 0x00A | 0x80FA |
| PL_CTRL | 0x010 | 0x0000 |
| PL_RISE_THR | 0x011 | 0x001E |
| PL_LOW_CODE | 0x012 | 0x001E |
| PL_HIGH_CODE | 0x013 | 0x0050 |
| PL_HIGH_TIME | 0x014 | 0x012C |
| EGY_MTR_CTRL | 0x015 | 0x0505 |
| EGY_MTR_THR | 0x016 | 0x01CB |
| PL_EN | 0x200 | 0xC000 |
| PGA_GAIN | 0x201 | 0x0000 |
プログラマブル・ゲインの確認
ADE1202には、A/Dコンバータ(ADC)のダイナミック・レンジをフルに活用できるように入力信号をスケーリングできる、プログラマブル・ゲイン・アンプ(PGA)が組み込まれています。この例では、PGAゲインを1、VGAINを0.003832に設定して使用します。
閾値コードの確認
表2に示す警告およびバイナリ・チャンネルの閾値設定はデフォルト値です。表2では、PGAゲイン = 1、VSENSEMAX = 326Vというシステム上の前提に基づく対応閾値電圧が示されています。それぞれの閾値を対応レジスタ値に変換する方法については、ADE1202のデータシートを参照してください。
| Register | Threshold Voltage (V) | Threshold Code (Hex) | ||
| High | Low | High | Low | |
| BIN_THR | 217 | 115 | AA | 5A |
| WARNA_THR | 261 | 261 | CC | CC |
| WARNB_THR | 174 | 11 | 88 | 5A |
| WARNC_THR | 58 | 58 | 2D | 2D |
フィルタ・コードの確認
このバイナリ入力アプリケーションでは、バイナリ・チャンネルに3msのデジタル・フィルタリングに対応する0x0096をBIN_FILTERレジスタに設定します。また、警告チャンネルには5msのデジタル・フィルタリングに対応する0x80FAをWARMx_FILTERレジスタに設定します。
バイナリ・チャンネルはデフォルトでディスエーブルされているので、BIN_FILTERレジスタのBIN_ENビットを0x1にセットして、チャンネルをイネーブルする必要があります。この例では、バイナリ・チャンネルと警告フィルタをイネーブルします。フィルタ時間を対応レジスタ値に変換する方法の詳細は、ADE1202のデータシートを参照してください。
電流コードの確認
濡れ電流はライン上に高電圧ノイズを発生させます。この例における濡れ電流のパルス振幅は16mAで、幅は3msです。したがって、PL_HIGH_CODEレジスタを0x0050に、PL_HIGH_TIMEを0x012Cに設定します。
パルス終了時には3mAの定電流が流れるように、PL_LOW_CODEレジスタを0x001Eに設定します。プログラマブル負荷ブロックは、デフォルトでディスエーブルされています。プログラマブル負荷ブロックをイネーブルするには、PL_ENレジスタに0xC000を書き込む必要があります。
プログラマブル負荷ブロックには、HIGH_IDLEとLOW_IDLEの2つの動作モードがあります。LOW_IDLEモードでは、電圧閾値によってプログラマブル負荷がトリガされます。HIGH_IDLEモードではアイドル状態時でも大きな負荷電流が流れ、電圧閾値には依存しないので、このモードはバイナリ入力チャンネルのノイズを効果的に抑制したい場合に推奨されます。ADE1202は、デフォルトでLOW_IDLEモードに設定されています。PL_CTRLレジスタのデフォルトは0x000です。
LOW_IDLEモードに使われる閾値は、8ビット・レジスタのPL_RISE_THRによって設定されます。この例ではPL_RISE_THRレジスタを0x001Eに設定しますが、これは38.4Vに相当します。HIGH_IDLEモードでは、PL_RISE_THRの設定は無視されます。
バイナリ入力がハイのときにパルス電流が生成されるようにするには、以下の条件に従う必要があります。
- BIN_FILTER ≥ 0x3
- LOW_IDLEモードで、RISE_THR < BIN_HI_THR
MOSFET保護コードの確認
変電所の高電圧と、プログラマブルな大負荷電流(最大51mA)が組み合わさると、大電流の複数パルスが連続して外付けMOSFETに加わり、MOSFETが破壊されるおそれがあります。
ADE1202は、MOSFETで消費される電力を正確に予測できます。MOSFETの保護は、測定入力電圧(またはADCコード)と大電流パルスの幅を使用し、所定の時間内にMOSFETが生成する電力を見積もることによって行われます。
設計フローと計算
以下のステップに従ってレジスタの設定を決定し、MOSFET保護ブロックを適切に構成してください。
- MOSFETの最大周囲温度またはケース温度に基づき、MOSFET SOAのディレーティングを行います。ディレーティングしたSOAに基づき、動作VDS、ドレイン電流(ID)、安全パルス幅を決定します。
- 最大電力量閾値を計算し、その値をEGY_MTR_THRレジスタに書き込みます。
- MOSFETの熱時定数と電力量閾値に基づいて、EGY_MTR_CTRLレジスタのCOOLDOWN_DECRビットとCOOLDOWN_TIMESTEPビットをセットします。
- 最大電力量閾値を超えた場合に適用する冷却時間を決定し、EGY_MTR_CTRLレジスタのCOOLDOWN_SECビットを0x5に設定します。
- チャンネル入力によってADCがオーバーレンジとなった場合にADCコードの代わりに使用する値を計算します。EGY_MTR_CTRLレジスタのOV_SCALEビットは、瞬時累積加算器のスケール・アップを行います。
- 算出したレジスタ値を、それぞれ対応するレジスタに書き込みます。
これらのレジスタ値の算出に使用する数式については、ADE1202のデータシートを参照してください。
この例では、電力量計の最大閾値MAX_EGY_THRを0x01CBに設定します。これは、ドレイン電圧250V、パルス電流振幅16mA、パルス幅3msのときにMOSFETで消費される電力に相当します。計算閾値に達すると冷却機能がトリガされ、冷却期間が始まります(図5参照)。この時間は、EGY_MTR_CTRLレジスタのCOOLDOWN_SECビットで指定します。デバイスが冷却期間に入ると、加算器はゼロにリセットされます。パルス電流がオフの場合は、加算器の値が10μsごとに5カウントずつ減らされていきます。デフォルトでは、EGY_MTR_CTRLレジスタは0x0505に設定されます。
バイナリ入力電圧が十分に大きい場合は、ADCがフルスケール値(0xFF)に達することがあります。この値に達すると、EGY_MTR_CTRLレジスタのOV_SCALEビットが瞬時累積加算器をスケール・アップします。OV_SCALEの係数値は1、4、8、16の4種類です。
EGY_MTR1およびEGY_MTR2レジスタはMOSFET内の累積電力量の値を記録することができます。
ADE1202のスタートアップ
ハードウェア・リセット後もしくはソフトウェア・リセット後のパワーアップ時は、以下を実行します。
- INT_STATUSレジスタへのポーリング。パワーアップ中はINT_STATUSレジスタが0xFFFFになり、パワーアップが正常に終了するとINT_STATUSレジスタのRSTDONEビットが0x4000になります。INT_STATUSレジスタのRSTDONEビット(ビット14)に1を書き込むことで、このビットはクリアされます。
- 残りの設定レジスタには、デフォルト値が設定されます。
バイナリ・チャンネルとプログラマブル負荷はデフォルトでオフになります。バイナリ・チャンネルとプログラマブル負荷をイネーブルするには、以下のステップに従ってください。
- LOCKレジスタのLOCK_KEYビットに0xADE0を書き込んで、デバイスのロックを解除します。
- 変更が必要な設定レジスタに新しいレジスタ値を書き込みます。
- LOCKレジスタのLOCK_KEYビットに0xADE1を書き込んで、デバイスをロックします。これでADE1202は使用可能な状態になります。




